組み立て方法
基本は2×4材を使ったパネル工法です。
平らな床で各枠を組みます。
組んだ枠は軽トラックの荷台で組み立てます。
(※フォークリフトがある場合は床で作ってから載せても構いません)
工具はインパクトドライバー、木工ドリル、丸のこ、ジグソー、のこぎり、ホールソーなどが必要です。
木枠組みにはナゲシは75mm程度の長さのものを使います。ベニヤ板を止めるには45mm程度の長さのナゲシを使います。
以下の順に製作します。
1.床枠組み
2.床パネル張り
3.側面枠組み
4.側面枠を床パネルに組み付け
5.前部枠を床パネルに組み付け
6.後部枠を床パネルに組み付け
7.天井枠を側面枠に組み付け
8.側面パネル張り
(※窓を作る場合は張る前に穴を開けておきます)
9.天井パネル張り
10.後部パネル張り
11.前部パネル張り
12.角には30mm×30mm程度のアルミアングル材を留めてシーリング材で防水します。
※前部パネルと運転席上のオーバーハング部分の床パネルは現物合わせで張ります。
注意点
軽自動車の積載サイズに注意してください。
高さは積載した状態で地面から2.5mまでです。
幅は車検証記載の幅から1mmでもはみ出してはいけません。
長さは車体長の10%までです。
※旧規格の軽トラックの場合は一回りサイズを小さくする必要があります。
ハイルーフ車やホンダ製の場合はキャビン寸法が異なりますので注意が必要です。ハイゼットトラックの場合は、ハイルーフとジャンボ仕様車の高さはスタンダード仕様車より105mm背が高いようです。
平成12年以降の新規格のダイハツ ハイゼットトラックS210Pについては以下のサイズまで可能となります。
車体長が3.395mなので、最大で荷台の後ろ33.95cmまではみ出せますが、余裕を取って32.4cmにしています。
荷台の高さが655mmなので、ユニットの高さは最大で1845mmまで可能ですが荷台のデコボコもあったり太陽電池を載せることを考慮して若干低めに1812mmで設計してあります。スズキのキャリーの場合は荷台の高さが650mmです。
(荷台にユニットを載せるとサスが沈むので実際はもう少し余裕ができます)
完成後に地面からの高さを測ったら2450mmで5センチ程余裕がありました。
【参考資料】
TE-S210P パワステ・エアコン装備 5MT (平成14年初年度登録)
車体/荷室寸法
・全長 3395mm
・全幅 1475mm
・全高 1780mm
・荷室長 1940mm
・荷室内幅 1410mm
・荷室地上高 655mm
三面図
構造イメージ
フレーム構造を判り易いように色分けした図です。
・フロント側から
続きを読む>>・リア側から

パネル構造が判り易いように色分けした図です。
・フロント側から

・リア側から
<<この記事を畳む
基本構造の材料一覧
棚など内装の部材を含まない基本構造部分に必要な材料の一覧です。
■底面枠組み
A 2×4材 38x89x2250mm 2本
B 2×4材 38x89x1280mm 4本
続きを読む>>■前部枠組み
A 2×4材 38x89x1100mm 2本
B 2×4材 38x89x1100mm 3本
■側面枠組み(2セット)
A 2×4材 38x89x2785mm 1本
B 2×4材 38x89x1622mm 4本
C 2×4材 38x89x1100mm 1本
D 2×4材 38x89x682mm 2本
E 2×4材 38x89x560mm 1本
F 2×4材 38x89x200mm 1本
G 2×4材 38x89x2250mm 1本
■後部枠組み
A 2×4材 38x89x1698mm 2本
B 2×4材 38x89x1100mm 3本
C 2×4材 38x89x1388mm 3本
■上部枠組み
A 2×4材 38x89x1178mm 7本
■底面パネル
A 12mmベニヤ合板851x1356mm 1枚
B 12mmベニヤ合板910x1356mm 1枚
C 12mmベニヤ合板489x1356mm 1枚
■側面パネル(2セット)
A 12mmベニヤ合板 900x1800mm 1枚
B 12mmベニヤ合板 665x1800mm 1枚
C 12mmベニヤ合板 697x900mm 1枚
D 12mmベニヤ合板 900x1800 1枚
■前部パネル
A 12mmベニヤ合板 1384x238mm 1枚
B 12mmベニヤ合板 1384x900mm 2枚
C 12mmベニヤ合板 1384x188mm 1枚
D 12mmベニヤ合板 1384x162mm 1枚
■後部パネル
A 12mmベニヤ合板 656x1800mm 1枚
B 12mmベニヤ合板 700x1800mm 1枚
■上部パネル
A 12mmベニヤ合板 900x1384mm 1枚
B 12mmベニヤ合板 665x1384mm 1枚
C 12mmベニヤ合板 678x1384mm 1枚
D 12mmベニヤ合板 554x1384mm 1枚
E 12mmベニヤ合板 691x1384mm 1枚
■ドア
A ヒノキ角材 40x15x1335mm 1本
B ヒノキ角材 40x15x475mm 1本
C ヒノキ角材 60x15x455mm 2本
D ヒノキ角材 40x15x620mm 1本
E ヒノキ角材 40x15x645mm 1本
F 5mmベニヤ合板 5x495x1335mm 2枚
■上げ下げ窓
A 1×4材 19x89x420mm 2本
B 1×4材 19x89x610mm 2本
C ヒノキ角材 33x40x325mm 4本
D ヒノキ角材 33x40x300mm 4本
E ヒノキ角材 15x15x570mm 2本
F ヒノキ角材 15x15x285mm 2本
G ヒノキ角材 15x40x381mm 1本
※ 底面の12mmベニヤ合板は屋内用基準の製品
それ以外の12mmベニヤ合板はコンパネ合板(黄色 900 x 1800 x 12 mm)
■その他
ツーバイフォー材用金具L字 20個~(角を補強します)
丸棒ラッチ(径5mm) 2個(上げ下げ窓ストッパー用)
浴室用樹脂製レバー取替え錠(バックセット100mm 厚さ17mm)
補助錠
透明ポリカーボネート板またはアクリル板 5mm厚 450x600mm 1枚
透明ポリカーボネート板またはアクリル板 5mm厚 450x300mm 2枚
透明ポリカーボネート板またはアクリル板 3mm厚 300x325mm 4枚
<<この記事を畳む
設計図面ダウンロード
設計図は
データ利用規約に従ってご利用いただけます。
設計図ダウンロード図面はPNG画像形式 150dpiで作成されています。
A4の用紙に印刷してお使いください。
底面枠組み
床面枠組みです。
【材料】
2×4材
(A) 38 x 89 x 2250mm 2本
(B) 38 x 89 x 1280mm 4本
底面パネル
床面パネル
【材料】
12mm厚 ベニヤ合板(屋内用)
(A) 851 x 1356 mm 1枚
(B) 910 x 1356 mm 1枚
(C) 489 x 1356 mm 1枚
側面枠組み
側面の枠組みです。左右とも同じ寸法で、2セット必要です。
【材料】
2×4材
(A) 2×4材 38 x 89 x 2785 mm 1本
(B) 2×4材 38 x 89 x 1622 mm 4本
(C) 2×4材 38 x 89 x 1100 mm 1本
(D) 2×4材 38 x 89 x 682 mm 2本
(E) 2×4材 38 x 89 x 560 mm 1本
(F) 2×4材 38 x 89 x 200 mm 1本
(G) 2×4材 38 x 89 x 2250 mm 1本
前部の傾斜は太陽電池の効率を良くする為に35.12度にしてあります。
※太陽電池を前部に搭載しない場合は45度に変更した方が計算が簡単になります。
側面パネル
側面パネル(2セット必要です)
【材料】
12mm厚 コンパネ合板(黄色 900 x 1800 x 12 mm)
(A) 900 x 1800 mm 1枚
(B) 665 x 1800 mm 1枚
(C) 697 x 900 mm 1枚
(D) 900 x 1800 mm 1枚
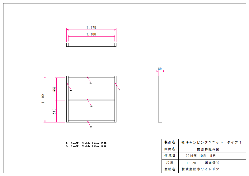
前部枠組み
前部枠組みです。(運転席の後ろになります)
【材料】
2×4材
(A) 2×4材 38 x 89 x 1100 mm 2本
(B) 2×4材 38 x 89 x 1100 mm 3本
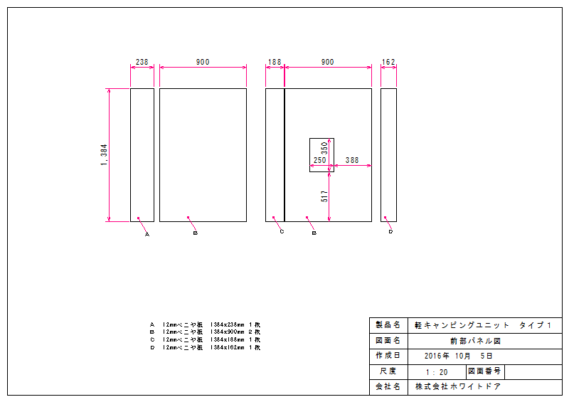
前部パネル
前部パネルです。
【材料】
12mm厚 コンパネ合板(黄色 900 x 1800 x 12 mm)
(A) 1384 x 238 mm 1枚 最前部垂直部分
(B) 1384 x 900 mm 2枚 運転席上前側と運転席後ろ上側
(C) 1384 x 188 mm 1枚 運転席上後ろ側
(D) 1384 x 162 mm 1枚 運転席後ろ下側
※あおりの留め具の出っ張りが当たる場合には、ベニヤ板の当たる部分を切り欠いてください。
後部枠組み
後部枠組みです。
【材料】
2×4材
(A) 2×4材 38 x 89 x 1698 mm 2本
(B) 2×4材 38 x 89 x 1100 mm 3本
(C) 2×4材 38 x 89 x 1388 mm 3本
後部パネル
後部パネル
【材料】
12mm厚 コンパネ合板(黄色 900 x 1800 x 12 mm)
(A) 656 x 1800 mm 1枚
(B) 700 x 1800 mm 1枚
※ドア部分はジグソーで切り抜きます。ドアは切り抜いた板を利用するか、木枠で135x500mmのサイズで製作します。
天井枠組み
天井枠組みです。
【材料】
2×4材
(A) 2×4材 38 x 89 x 1178 mm 7本
※ 側面枠組みに1本づつ直接組み付けます。
ナゲシの長さが足りない場合には、側面枠組みに深さ40mmほどドリルでネジ頭径より大きい穴を開けてナゲシを埋め込みます。
天井パネル
天井パネル
【材料】
12mm厚 コンパネ合板(黄色 900 x 1800 x 12 mm)
(A) 900 x 1384 mm 1枚
(B) 665 x 1384 mm 1枚
(C) 678 x 1384 mm 1枚
(D) 554 x 1384 mm 1枚
(E) 691 x 1384 mm 1枚
※幅は床枠に側面パネルの厚み×2を足して左右に張り出すようにします。
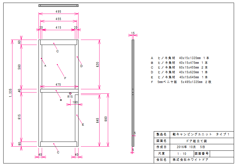
ドア
ドアの枠組みとパネルです。
【材料】
(A) ヒノキ角材 40 x 15 x 1335 mm 1本
(B) ヒノキ角材 40 x 15 x 475 mm 1本
(C) ヒノキ角材 60 x 15 x 455 mm 2本
(D) ヒノキ角材 40 x 15 x 620 mm 1本
(E) ヒノキ角材 40 x 15 x 645 mm 1本
(F) 5mmベニヤ合板 5 x 495 x 1335 mm 2枚
(A)~(E)の角材で組んだ枠を(F)のパネルで両側から挟み込みます。
ドアノブは浴室用樹脂製レバー取替え錠(バックセット100mm 厚さ17mm)を使用しました。パネルに干渉する部分を2ミリほど削って合わせます。
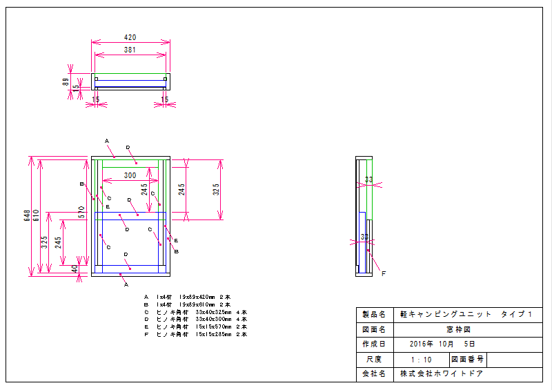
上げ下げ窓
上げ下げ窓です。
上側は嵌め殺しで、下部窓のみ可動です。
【材料】
(A) 1×4材 19 x 89 x 420 mm 2本
(B) 1×4材 19 x 89 x 610 mm 2本
(C) ヒノキ角材 33 x 40 x 325 mm 4本
(D) ヒノキ角材 33 x 40 x 300 mm 4本
(E) ヒノキ角材 15 x 15 x 570 mm 2本
(F) ヒノキ角材 15 x 15 x 285 mm 2本
(G) ヒノキ角材 15 x 40 x 381 mm 1本
※ (C)と(D)の角材にトリマーなどで3mmアクリル板をはめる溝を掘っておきます。
トリマーが無い場合には15mm厚の角材で300x325mmのアクリル板を挟み込むように作ります。
(E)の部材に直径5mmの穴を5cm間隔に空けて、丸棒ラッチの受けを作ります。窓枠の上隅に丸棒ラッチを取り付けて窓の開け具合を調整します。